全國服務熱線:
400-816-1636
菜單

掃一掃關注公眾號
近年來隨著可再生能源的快速發展和電力系統的智能化升級,正迎來前所未有的發展機遇。儲能箱作為儲能技術的核心載體,其原理和應用正日益受到廣泛關注。而YG-WSD 溫濕度記錄儀作為其中的配套設備,可監測環境溫濕度參數,它以小巧便攜、超長待機、精準可靠等優勢被廣泛應用在各類型儲能箱、預制艙以及工廠內部等領域。

1. 便攜小巧,外形美觀;
2. 合金材質,便于安裝固定;
3. 低功耗,內嵌鋰亞硫酰氯電池,超長待機;
4. 可監測環境溫濕度參數,也可根據用戶需求定制;
5
6. RS485輸出,標準Modbus協議,數據傳輸穩定可靠;
7. 自帶大容量存儲器,可隨時查看歷史數據;
8. 性價比高、功能完備。
|
YG-WSD 溫濕度記錄儀 基本技術參數
|
|||
|
供電電源
|
鋰電池自供電/外接DC24V
|
||
|
輸出
|
RS485,標準Modbus協議
|
||
|
工作電流
|
節能模式:約40μA 非節能模式(通信):約18mA
|
||
|
自帶線纜
|
規格:4*24AWG,線長1米
|
||
|
重量
|
<1kg
|
||
|
外形尺寸
|
185*139*78mm
|
||
|
防護等級
|
IP62
|
||
|
防腐等級
|
C3
|
||
|
色號
|
GSB05—1426—2001 77 GY09 冰灰
|
||
|
工作溫度
|
-30℃~+70℃
|
||
|
工作濕度
|
0~+100%RH(無凝露)
|
||
|
備電時間
|
出廠起1年(節能模式,采樣間隔60min條件下)
|
||
|
電池電壓
|
額定:3.6V(常溫)
為保證備電時間,低于3.5V建議更換電池
|
||
|
波特率
|
出廠默認9600
|
||
|
通訊協議
|
標準Modbus協議
|
||
|
采樣間隔
|
1~60min(可設),出廠默認60min
|
||
|
存儲容量信息
|
8萬組數據
|
||
|
監測要素技術參數
|
|||
|
監測要素
|
測量范圍
|
精度
|
分辨率
|
|
大氣溫度
|
-40~+70℃
|
±0.2℃
|
0.1℃
|
|
大氣濕度
|
0~+100%RH
|
±3%RH
|
0.1%RH
|
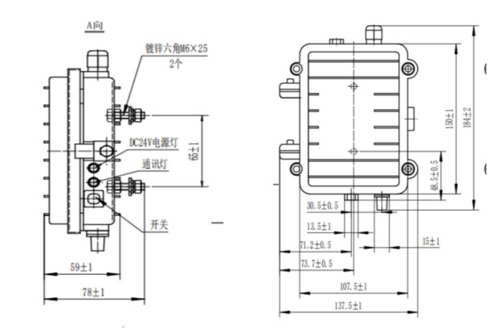
產品采用專業戶外工藝,合金材質,小巧便攜,便于安裝固定。外形結構圖如下:

多臺溫濕度記錄儀也可以通過陽光智慧云平臺進行組網監測,實現數據的多站點遠程管控、橫向對比,為運維管理人員提供方便。



